Home
Adventures
Computers
House
Personal
Photos
Programs
Projects
Vehicles
Wedding
Vehicles
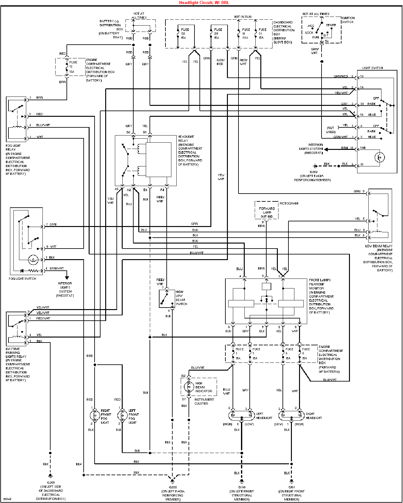
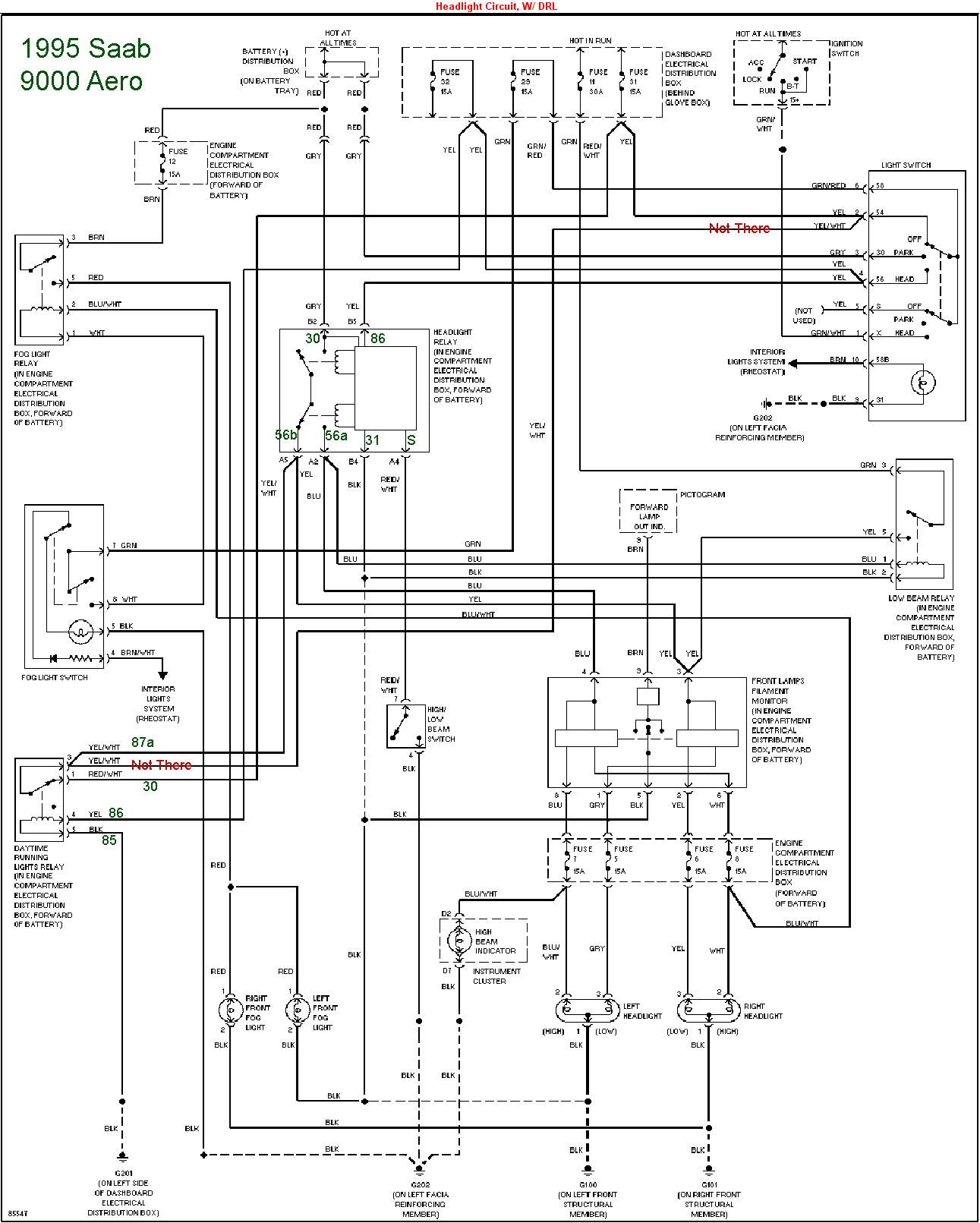
saab - replacing relays
Pictures
Preview Image Size
Thumbnail
Small
Medium
Large
Smll
Med
Lrg
Smll
Med
Lrg
Smll
Med
Lrg
Smll
Med
Lrg
Smll
Med
Lrg
Smll
Med
Lrg
Smll
Med
Lrg
Smll
Med
Lrg
Smll
Med
Lrg
Smll
Med
Lrg
Smll
Med
Lrg
Smll
Med
Lrg
Smll
Med
Lrg
Smll
Med
Lrg
Smll
Med
Lrg
Smll
Med
Lrg
Smll
Med
Lrg
Add Picture Comments
Contact Us
| ©2014 Me | Page best viewed with Chromium