XJ1100 Reference Diagrams
(Page 3 of 3)

QUICK JUMP TABLE
XJ1100 Reference Diagrams
Ignition Timing Wiring Diagram      

Back to Main Page


'82 XJ1100 Ignition Timing
Back to Main Page

  


 

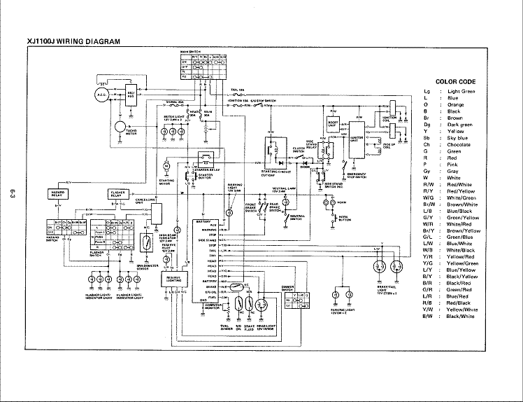
'82 XJ1100 Wiring Diagram

Back to Main Page